缝纫客维修问答
工业缝纫机维修,机修工问答
缝纫客APP
(安卓)

  找回密码
 立即注册
扫二维码加客服微信 缝纫客(缝纫客QQ群:754889794)
楼主: hcq430
打印 上一主题 下一主题

[钉扣机] 373很难才发现的断针问题

  [复制链接]
31#
发表于 2013-5-4 17:54:06 | 只看该作者
感谢分享,学习了
回复 支持 反对

使用道具 举报

32#
发表于 2013-5-5 08:36:09 | 只看该作者
小老鼠 发表于 2013-5-1 18:45
明天上班发现又断针了

回复 支持 反对

使用道具 举报

33#
发表于 2013-5-5 08:37:45 | 只看该作者
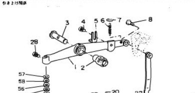
是8号件么?

未命名.jpg (14.1 KB, 下载次数: 580)

未命名.jpg

点评

是的,  详情 回复 发表于 2013-5-5 08:56
回复 支持 反对

使用道具 举报

34#
 楼主| 发表于 2013-5-5 08:56:59 | 只看该作者
一颗鸡蛋 发表于 2013-5-5 08:37
是8号件么?

是的,
回复 支持 反对

使用道具 举报

35#
发表于 2013-5-5 09:55:50 | 只看该作者
换了8号件后第三天又开始断针了
回复 支持 反对

使用道具 举报

36#
发表于 2013-5-8 09:48:27 | 只看该作者
值得学习。
回复 支持 反对

使用道具 举报

37#
发表于 2013-5-8 12:07:38 手机论坛 | 只看该作者
学习了      
回复 支持 反对

使用道具 举报

38#
发表于 2013-5-8 12:25:05 手机论坛 | 只看该作者
学习了,感谢分享。
回复 支持 反对

使用道具 举报

39#
发表于 2013-5-13 08:27:30 | 只看该作者
hcq430 发表于 2013-5-5 08:56
是的,

回复 支持 反对

使用道具 举报

40#
发表于 2013-5-13 10:41:16 手机论坛 | 只看该作者
没遇到过,也学习了
回复 支持 反对

使用道具 举报

您需要登录后才可以回帖 登录 | 立即注册

本版积分规则

QQ|小黑屋|手机论坛|Archiver|缝纫客,工业缝纫机维修问答

GMT+8, 2025-12-2 10:07 , Processed in 0.825279 second(s), 11 queries , File On.

Powered by Discuz! X3.3

© 2001-2017 Comsenz Inc.

快速回复 返回顶部 返回列表