缝纫客维修问答
工业缝纫机维修,机修工问答
缝纫客APP
(安卓)

  找回密码
 立即注册
扫二维码加客服微信 缝纫客(缝纫客QQ群:754889794)
查看: 4175|回复: 9
打印 上一主题 下一主题

781旋梭发热

[复制链接]
跳转到指定楼层
楼主
发表于 2013-5-13 20:06:24 | 只看该作者 |只看大图 回帖奖励 |倒序浏览 |阅读模式
781 旋梭发热有方法解决吗   油路是好的可以加大油量吗  工人不肯手工加油
回复

使用道具 举报

2#
发表于 2013-5-13 20:25:32 | 只看该作者
把油量加大点就没事了,
回复 支持 反对

使用道具 举报

3#
发表于 2013-5-13 20:28:25 | 只看该作者
781好像是用油绳供油的吧??
回复 支持 反对

使用道具 举报

4#
发表于 2013-5-13 20:56:41 手机论坛 | 只看该作者
可以加大丶,不同意加你不会刁他阿,刁他几次就学乖了,修人才是关键
回复 支持 反对

使用道具 举报

5#
发表于 2013-5-13 21:10:57 | 只看该作者
是的781是油绳的,不加油你跟工人说下,他要是不加,你别跟他急,你去找老板说,就说车间的那个机器确实没问题,工作量大,旋梭发热叫工人时不时的加加机油他不加,别到时候叫换旋梭时你再叫~

评分

参与人数 1联盟金 +20 收起 理由
验布机 + 20 方法不错!

查看全部评分

回复 支持 反对

使用道具 举报

6#
发表于 2013-5-13 21:42:32 手机论坛 | 只看该作者
加大油量同时与工人说明原由
回复 支持 反对

使用道具 举报

7#
 楼主| 发表于 2013-5-15 18:24:34 | 只看该作者
我在此谢谢各位师傅 我以心中有数了
回复 支持 反对

使用道具 举报

8#
发表于 2013-5-15 18:30:36 | 只看该作者
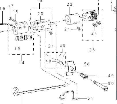
49 50号

59V6NXU2YO3DCH45DWEW[0B.jpg (33.69 KB, 下载次数: 4404)

59V6NXU2YO3DCH45DWEW[0B.jpg

点评

谢谢 49 50 17 18 我已经调过了 我都把16 换了 新的油线了  详情 回复 发表于 2013-5-15 18:38
回复 支持 反对

使用道具 举报

9#
发表于 2013-5-15 18:31:23 | 只看该作者
17 18
回复 支持 反对

使用道具 举报

10#
 楼主| 发表于 2013-5-15 18:38:16 | 只看该作者
一颗鸡蛋 发表于 2013-5-15 18:30
49 50号

谢谢 49 50   17  18   我已经调过了 我都把16 换了 新的油线了
回复 支持 反对

使用道具 举报

您需要登录后才可以回帖 登录 | 立即注册

本版积分规则

QQ|小黑屋|手机论坛|Archiver|缝纫客,工业缝纫机维修问答

GMT+8, 2026-1-24 12:42 , Processed in 0.076859 second(s), 10 queries , File On.

Powered by Discuz! X3.3

© 2001-2017 Comsenz Inc.

快速回复 返回顶部 返回列表